SEV-16H

Basic parameters

  • Rated voltage: DC250-1000V
  • Rated current: 30-200A
  • Breaking capacity: 20-25kA(L/R ≤ 2ms)
  • Standards: GB/T13539 and IEC60269
In compliance with:

ROHS

TÜV 

CE

CCC

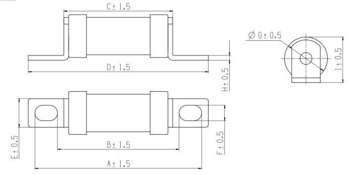
Overall dimensions

Download Product Catalog

Find the right product in minutes.