SEV-43F
Basic parameters
- Rated voltage: DC750-1000V
- Rated current: 100-630A
- Breaking capacity: 50kA (L/R ≤ 15ms)
- Standards: GB/T13539 and IEC60269
In compliance with:
ROHS
TÜV
CE
CCC
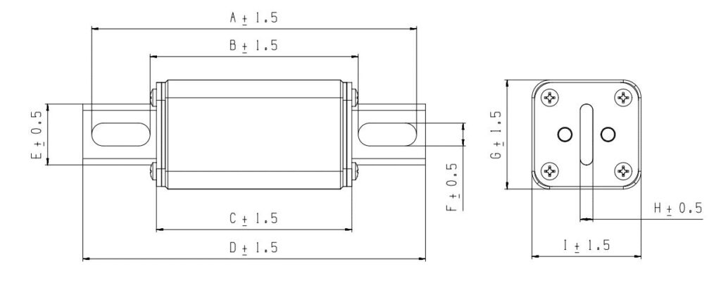
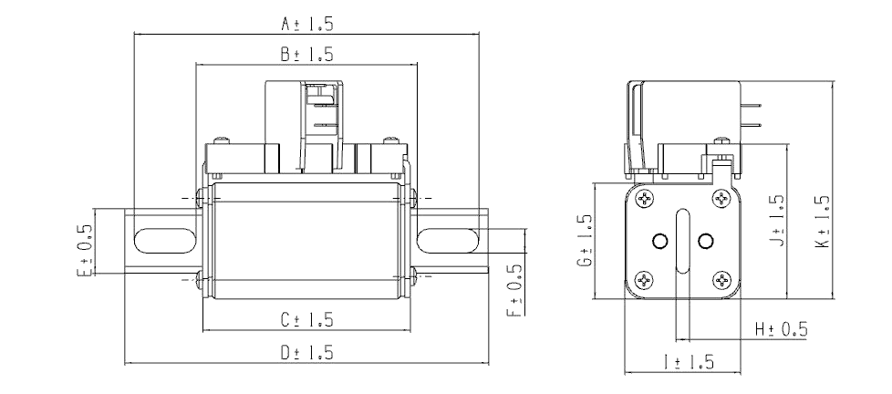
Overall dimensions
ROHS
TÜV
CE
CCC
Find the right product in minutes.
